地铁屏蔽门故障排查关键步骤

随着新基建的推进,城际轨交将迎来飞速发展期。地铁是人们出行的重要方式,各大城市都纷纷增加城际轨交建设。随着地铁城轨的广泛铺设,地铁的安全性也得到人们的广泛关注,尤其是地铁屏蔽门的安全运行,直接关系到人们的财产安全,因此,当地铁屏蔽门出现故障时,如何高效地完成故障排查?下面将介绍常见的排查关键步骤,轻松快速地完成故障排查。

东西/原料

  • CAN网桥
  • CANScope阐发仪
  • CANDTU记实仪
  • 电脑
  • Win7/Win10操作系统
  • 设置装备摆设软件ZNetCom

典型应用

  1. 1

    地铁屏障门采用CAN总线进行通信,当呈现偶发性故障时,人工排查效率较低,严重影响人们的出行。经由过程在地铁上装配一套CANDTU车载记实仪,可及时上传CAN总线数据,云端及时阐发,可高效完当作CAN总线故障排查。

    END

地铁屏障门道理

  1. 1

    今朝的地铁节制系统:列车主动节制(ATC)、电力监控系统(SCADA)、情况监控系统(BAS)、火警报警系统(FAS)、屏障门节制系统(PSD)等。

    地铁屏障门是经由过程CAN总线通信的,具体道理如图所示。

  2. 2

    屏障门各单位简介:PSC用于平安门节制系统的焦点部门;PSA用于监控屏障门状况,诊断屏障门故障;PSL用于人工发出开关门指令;DCU门控单位是滑动电机的节制装配。

    END

排查步调1:PSC与DCU故障(总线分支过长/过多)

  1. 1

    由道理图可看出,当PSC与DCU呈现故障时,会导致屏障门无法打开等故障。可考虑是因为总线分支过长导致的位宽掉调现象,从而造当作PSC和DCU之间通信错误。经由过程CANScope阐发仪查看对应的错误波形如下。

  2. 2

    对应解决方案,按照规范的通信距离布线。

  3. 3

    也可利用CANBridge+网桥进行组网梳理。

    END

排查步调2:PSC与DCU故障(总线电容过大)

  1. 1

    PSC与DCU通信时,还会有电容的影响,电容过大会影响整个收集的通信,造当作屏障门故障,经由过程CANScope阐发仪阐发如下。

  2. 2

    对应的解决方案如下:

    减小终端电阻,加速电容放电。

    END

排查步调3:总线干扰过大

  1. 1

    地铁情况比力复杂,人员流量较多,轻易呈现夹包、开门等现象。对应的解决方案如下:

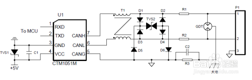
    包管每个DCU隔离,利用CTM1051隔离收发器

  2. 2

    同时,可经由过程增添双绞水平、增添庇护器、增添磁环等方案去改善干扰。

    END

排查步调4:CAN总线数据云处置

  1. 1

    在地铁上装配CAN总线黑匣子CANDTU车载数据记实仪,便利工程师在发生偶发性故障时,可及时采集CAN总线数据,并上传云端阐发处置。CANDTU系列产物搭载专有的数据云平台——ZWS-CAN聪明云,便利进行云端设置装备摆设、云端阐发、云端UDS诊断等操作。

    END

常见问题

  1. 1

    屏障门CAN总线的波特率该若何设置?

    答:查看波特率问题,从SJW进行设置,SJW设为3,总体位时候节制在16,采样规模节制在75%~90%。

  2. 2

    ZWS-CAN聪明云怎么实现长途设置装备摆设?

    答:部门应用场景不合适现场设置装备摆设的前提,可经由过程云端设置装备摆设云ID,然后搜刮设备,实现长途设置装备摆设。

    END

注重事项

  • 地铁屏障门的CAN总线应利用尺度的屏障双绞线,要合适正规的线径尺度。
  • 发表于 2020-04-29 19:00
  • 阅读 ( 1048 )
  • 分类:其他类型

你可能感兴趣的文章

相关问题

0 条评论

请先 登录 后评论
联系我们:uytrv@hotmail.com 问答工具