「接地」是什么?

接地到底是一种什么东西呢,该如何理解电路?
图片:MoteOo / CC0 接地到底是一种什么工具呢,该若何理解电路? Patrick Zhang,电气工程师 | 微博@老帕聊电气

接地并非是一种工具,而是一种办法。

当我们看到山水时,我们会有一个设法,这些大山有多高?想要知道山有多高,很简单,看看百度地图,简单地搜刮一下就可以了。然而这里有一个主要的前提,就是要确定零高程点。

我国是以青岛验潮站求得的 1956 年黄海平均海水面作为“全国同一高程基准面”。

电路也是如斯。在电路里,我们必需知道电路中的零电位参考点。我们看下图:

电路里有了零电位参考点,我们就可以求得电路各点处的电压。例如图 2 的 2 图中,B 点的电位是零,A 点的电位是 +8V,而 C 点的电位是 -2V。

我们把电路的零电位参考点叫做参考地,它的电位就是零。所谓接地,指的就是与参考地相接。

注重,图 2 中的零电位参考点设置在正、负电源的中心。事实上,它可以设置在电路的肆意点。然而,如斯设置的零电位点与大地零电位之间存在必然的电压差。所以,电路的零电位参考点电压相对大地的零电位是悬浮的。若是我们把电路的零电位参考点与大地直接相接,则电路零电位参考点的电位就是真正意义上的零电位。

对于一般的电器,例如手机,我们没有需要把它内部电路板上的零电位参考点与大地相接。为何?手机的电路尺寸有限,零电位参考点不接地,不会有什么问题。但对于配电系统来说,它的电流大,电压也高,系统必需知足工作接地的要求。

此刻,我们来考虑别的一个问题。

当我们手边的用电电器,俄然发生相线对金属外壳的短接,若是刚好有人在触摸这台电器,那么此人就必心猿意马会被电击。若何保障人体的用电平安?这时我们就要采纳一项专门办法,就是把用电电器的金属外壳接大地,简称接地。

为何要接大地?因为我们都站在大地上,或者站在某个与大地等电位的楼层上。若是用电电器的外壳能与大地等电位,则即便发生了碰壳变乱,用电设备的外壳依然连结大地的电位,确保我们的人身平安。

我们在中学都读过法拉第的笼子。法拉第站在接了高压电的笼子里,为何不会被电击?因为金属笼子是等电位的,法拉第在笼子里无论触碰何处,因为不存在电势差,所以不会被电击。同样的事理,若是用电电器的外壳接大地,而我们人体又站在大地上,尽管我们触碰了带电的用电电器金属外壳,但我们不会被电击。这就是庇护接地和接地体等电位联络的意义。

此刻,我们就可以成立接地的概念了。

接地有两种,第一种是为了给电路构建零电位参考点,我们把这种接地叫做系统接地,又叫做工作接地;我们把用电设备的外壳与大地毗连,以确保人身平安,我们把这种接地叫做庇护接地。

工作接地和庇护接地的同一体,叫做接地形式。

我们看下图:

图 3 来历于 IEC60364,是国际电工委员会对接地系统的权势巨子诠释。我来给大师诠释此图。

其实,图 3 我已经引用了不知道几多次,但仍是有人提出疑虑。可见,诠释接地系统的道理真的是任重而道远。

图 3 的左上侧是电力变压器的低压侧绕组,我们看到它的中性点引出接大地。

注重到接大地的符号与参考地的符号纷歧样!

如斯一来,变压器中性点的电位就是大地的零电位,它可以作为全系统的零电位参考点。我们把此处的接地叫做系统接地和工作接地。用字母 T 来暗示。

注重到一个事实,因为接了地的中性线电压为大地的零电位,它同时又可以起到用电电器庇护接地的感化。所以,我们把这条线叫做庇护中性线,用符号 PEN 来暗示。PEN 线有一个俗称,就是零线。、

因为零线即具有庇护接地的感化,又具有工作接地的感化,IEC 用 TN-C 来代表这种接地系统。

再看图 3,零线分开左侧的工作接地后,往右再次接地,我们把它叫做反复接地。反复接地的用途是确保零线断线后断点后部的导线依然具有零电位。

再往右,我们看到了图 3 中的两只用电设备。注重到用电设备的外壳直接与零线相接,确保了外壳具有零电位,以庇护人身平安。

注重图 3 中左手边的第一只用电设备,我们看到零线起首接到外壳,然后再接到零线输入端。这里表现了零线的庇护优先的原则。

关于接地,我在知乎中写过 N 篇文章。更多有关接地的常识,请看下文:

什么是接地?接地的道理是什么? - Patrick Zhang 的回覆 - 知乎

什么是接地接地的道理是什么

至此,相信题本家儿已经把接地的用途搞清晰了。

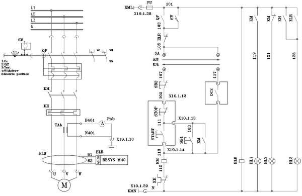
最后,给题本家儿提个问题。我们看下图:

我的问题是:

第一:图 4 中在电流表处呈现了接地符号,试问它是庇护接地仍是工作接地?

回覆:

我们看下图:

注重看图 5。我们知道电流互感器 TAb 的二次绕组一旦断线,会发生高压,为了不发生人身危险变乱,所以电流互感器的二次侧必需庇护接地。

第二:图 4 的接地系统该当是什么?为何?

回覆:

图 5 中,母线部门有三条相线,一条 N 线,没有 PE 地线。同时,图中的电念头只接入了三条相线。故知接地系统电源部门有工作接地,但地线未引出;负载有庇护直接接地。由此可知,图 4 和图 5 的接地系统是 TT。

注重:会商接地系统时,不单要看电源部门,也要看负载部门。只有把系统接处所式和庇护接处所式综合在一路,才能看出接地系统是什么。

第三:图 4 中,当电念头处发生短路后,哪个元器件将执行庇护?它与接地系统有关吗?

回覆:

当然是断路器执行短路庇护,与接地系统无关。

第四:图 4 中,当电念头发生漏电时,图中哪个元器件将执行庇护?它与接地系统有何干系?

回覆:

我们起首阐发一下 TN 系统和 TT 系统中接地电流的区别。

TN 系统顶用电负荷的金属外壳是接 PE 线或者接 PEN 线,而 PE 线在电源的系统接地处和中性线接在一路,见图 3。所以当 TN 系统顶用电负荷发生碰壳变乱时,沿着地线 PE 返回电源的接地电流近似等于相线对中性线的短路电流。所以,TN 系统叫做大电流接地系统。

再看 TT 系统,当用电负荷发生碰壳变乱时,接地电流只能沿着地网返回电源,接地电流远小于相线对中性线的短路电流。所以,TT 系统叫做小电流接地系统。

因为图 4 是 TT 系统,故知图中的 ELR 将动作。

不外,ELR 测量的是三相不服衡电流,不是漏电流,漏电流是以三相不服衡电流的形式呈现的。是以 ELR 的测控系统中必需配套三相不服衡电流的门限辨别装配,来甄别出漏电流。

第五:图 4 中有零线吗?零线到底是什么线?我们泛泛的配电系统中有零线吗?若是没有零线,代替它的是什么线?

回覆:

图 4 中没有零线。

零线是 PEN 线,也叫做庇护中性线,且只有在 TN-C 接地系统中才呈现。

今朝,用的最多的接地系统是 TN-S 和 TN-C-S。因为 TN-C 系统的平安性较差,所以 TN-C 系统几近绝迹。是以,配电系统中呈现零线的机遇并不多,只有在农村和老居平易近小区中还有遗存。

我们看下图:

我们看到,TN-C-S 的前端是 TN-C 接地系统,此中有零线。后部是 TN-C-S 系统,零线分隔为中性线 N 和地线 PE,从此今后,两者互相绝缘,不得再次归并。

在黉舍、企事业单元和居家小区,TN-C-S 系统应用十分遍及。我们也由此看到,在我们的家里,底子就没有零线,只有相线、中性线和地线。

  • 发表于 2019-06-17 23:05
  • 阅读 ( 918 )
  • 分类:其他类型

你可能感兴趣的文章

相关问题

0 条评论

请先 登录 后评论
联系我们:uytrv@hotmail.com 问答工具